Hi anh @10, anh @DTHien59
Cám ơn hai anh tư vấn cho em rõ, Vậy là em hiểu GND khi nắn diode sẽ an toàn rồi. Cọc Loa không lo nữa nếu nắn bằng Diode Và tổng hợp thông tin của hai anh, Em biết cách thao tác để quấn biến thế rồi.
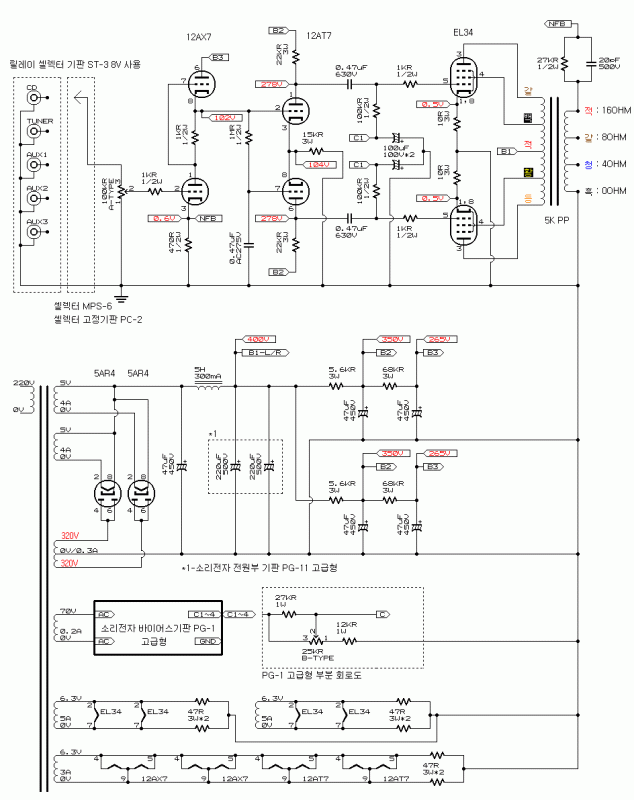
Một cái này nữa, em muốn hiểu. Hai anh, anh nào thấy cái tín hiệu S.O.S này của em cứu em luôn nhé.
Khi nắn bằng đèn thì CỌC Center Tap sẽ làm GND (trong khi biến thế chưa nối tải, câu điện sơ cấp thì cọc Center Tap chạm vào thì dựt banh xác)
Vậy khi nắn bằng Đèn, cọc Center Tap làm GND, thì cuối cùng một cọc Loa vẫn phải nối xuống GND để mạch Negative Feedback nó làm việc. Thì mình lỡ chạm cọc LOA nó có dựt không ?.
Dĩ nhiên cái GND này không nối trực tiếp xuống CHASS rồi (nối qua một điện trở từ 10 ohm tới 27 ohm, và một tụ nhỏ hơn 0.1uF, đọc thấy schematic nhiều mạch như thế)
Em muốn hỏi cho chắc ăn, cái nào là nên đụng và cái nào là không nên chạm. Để phòng tránh, Em không có tính đánh đố hỏi thăm dò. Mong hai anh hiểu giúp và giải đáp em tận tình với
Có lẽ liên hệ Chú Adim và "Order" và gửi "PO" cho Chú ấy viết một bài về Cách Nối GND và CHASS trong ampli đèn cho an toàn quá.

Ôi lôi thôi quá. tới đây, nhớ lại "dây trung tính", Dây nối địa..... nhức cái đầu thật. Mà điện 1 pha dây nguội nó không phải là dây tiếp địa.... búa xua. 3 Pha thì xưởng làm sẵn, mình chỉ phân biệt nào là "cọc te", nào là trung tính. Thế là đấu, còn 1 pha của Nhà đèn cung cấp cho, mình làm đúng, người bên cạnh làm sai cũng như không. Huhu