foto1
Stage Pro-sound
foto1
Stage Pro-lighting
foto1
Tube Amplifier
foto1
Disco Bar
foto1
Karaoke & Bistro Systems
e-mail: soundlightingvn@gmail.com
Phone: +84 903 923 527

MISCELLANEOUS ITEMS

Ai đang truy cập

We have 15 guests and no members online

03039205
Hôm nay
Hôm qua
Tất cả
237
530
3039205

06-10-2025 10:40

Đăng ký/đăng nhập

Welcome, Guest
Username: Password: Remember me

TOPIC: xin tu van ve B+ sut giam toi 50%

xin tu van ve B+ sut giam toi 50% 10 Mar 2013 07:15 #1249

  • thanghd
  • thanghd's Avatar
  • Offline
  • Senior Boarder
  • Posts: 55
  • Thank you received: 3
  • Karma: 0
Xin bac Phuc va anh em giup tu van. Toi dang lap amli dung den 6SN7, 300B va den nan 5U4G sylvania moi tinh, mach co ban SE. Bien ap nguon tu quan, OPT 1623H cua James. Khi cam den vao ap B+ sut giam nhanh tu 424v xuong chi con 199v-207V, am thanh phat ra rat nho, khong hieu tai sao, mho anh em chi dan. Xin cam on.
The administrator has disabled public write access.

Re: xin tu van ve B+ sut giam toi 50% 10 Mar 2013 16:34 #1251

  • tuyenphuc
  • tuyenphuc's Avatar
  • Offline
  • Administrator
  • Posts: 536
  • Thank you received: 93
  • Karma: 9
Đèn 300B hoạt động tốt nhất khi điện thế ở anode trung bình là 380 – 400 VDC, dòng khoảng 40mA, công suất ra khoảng 8watt. Đèn 5U4 cũng load volt khá cao, khoảng 100v, đèn cũ hay dòng cao còn nhiều hơn. Vì vậy khá rắc rối khi cân bằng những thông số này cùng lúc. Chưa nói trở kháng output cũng biến thiên theo điện thế ở anode rất nhiều.

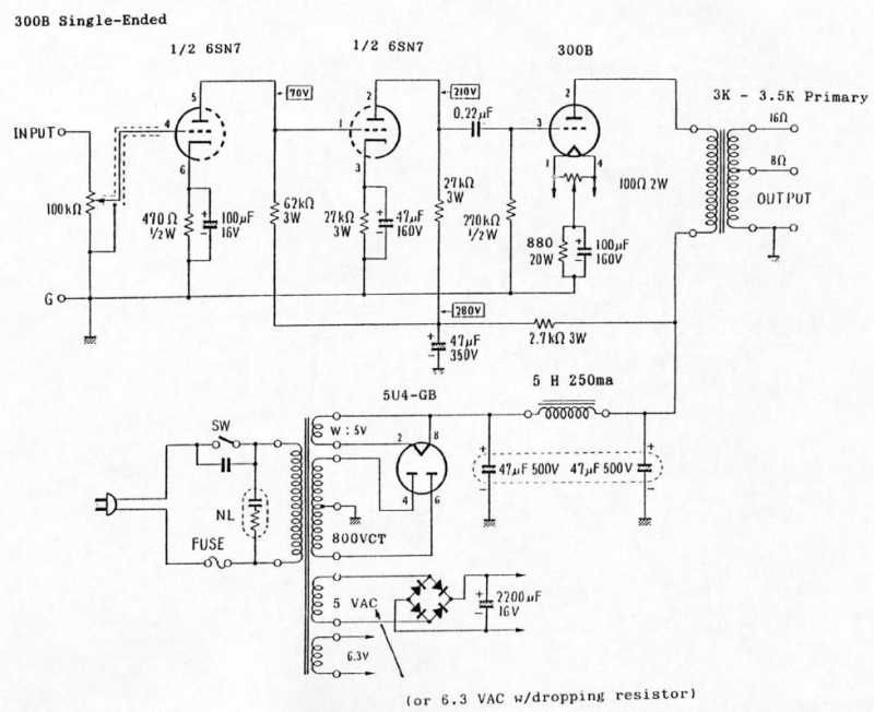
Bạn theo bảng trong hình sau đây mà điều chỉnh thông số. Điện thế có thể tăng bằng cách đổi đèn nắn điện loại lớn hơn, nếu volt AC thấp cỡ 320VAC, bạn có thể dùng diode 4007 thay thế. Điều chỉnh cường độ bằng tăng điện trở cathode v.v. Phải theo dõi cường độ biến thiên bằng mA kế. Khi bạn áp điện thế cao vào anode, dòng sẽ cao, sẽ kéo điện thế B+ xuống và ngược lại. Ráp đèn 300B khá dễ,nhưng cân chỉnh là cả một nghệ thuật đấy bạn. Cứ làm đi, nếu không được, nói rõ thao tác của bạn đã làm, tôi sẽ tư vấn thêm.




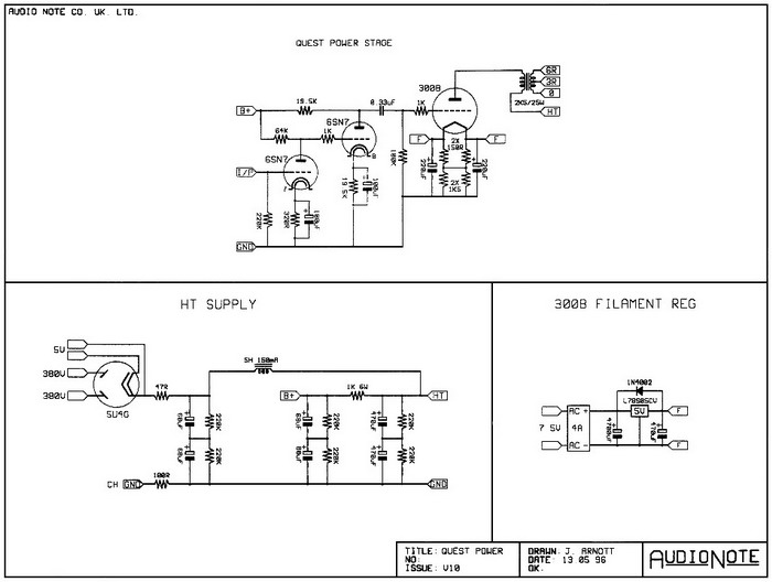
Schema của bạn chỉ là cơ bản. Tôi cho bạn 1 schema nâng cao cũng dùng đèn 6SN7 của Audio Note dưới đây.Chúc bạn thành công.


The administrator has disabled public write access.
The following user(s) said Thank You: thanghd

Re: xin tu van ve B+ sut giam toi 50% 10 Mar 2013 17:43 #1252

  • thanghd
  • thanghd's Avatar
  • Offline
  • Senior Boarder
  • Posts: 55
  • Thank you received: 3
  • Karma: 0
Cam on Bac, Tooi se lam theo chi dan cua Bac ,co vaan de gif xin Bac chi giao them.
The administrator has disabled public write access.

Re: xin tu van ve B+ sut giam toi 50% 14 Mar 2013 16:25 #1254

  • 10
  • 10's Avatar
  • Offline
  • Moderator
  • Posts: 233
  • Thank you received: 46
  • Karma: 2
chào bạn.mình có lài vời để bạn tham khảo thêm.sụt votl tới 50% là nguồn của bạn chưa đủ dòng rồi.
có 3 cái làm votl bạn sụt giảm. như bác mod đã nói.
-trở kháng opt và trở thuần sơ cấp
-trở thuần choke - dòng tải choke
-phân cực bias sai chế độ.
bạn kiểm tra lại mấy cái này.

biến thế nguồn bạn tự quấn có thể gửi thông số lên mình tính toán giúp bạn.
-kích cỡ Fe.
-kích cỡ dây sơ và thứ cấp bạn đã quấn.
p/s .mạch đầu tiên bạn gửi mình đã có lắp thành công nhưng dùng 6sn7 chạy class A, tiếng hơi nhỏ nếu k dùng pre.dùng cây 6sl7 hoặc 6h9c nga tiếng sẽ mạnh và chi tiết hơn.
chúc bạn thành công :)
The administrator has disabled public write access.

Re: xin tu van ve B+ sut giam toi 50% 15 Mar 2013 03:22 #1255

  • thanghd
  • thanghd's Avatar
  • Offline
  • Senior Boarder
  • Posts: 55
  • Thank you received: 3
  • Karma: 0
Cam on ban 10. Bien ap loi E mua cua Trung Quoc co S= 4x6cm= 24 cm2.Tinh toan voi den 5u4g va 300B , 6SN7 GTB co so sau:P= 170 VA. Tiet dien hieu dung : 17 cm2 de de quan toi dung loi 24 cm2. cuon so cap 220v: 423 vong day co 0,6 mm. Thu cap cao ap 2cuon can bang 845 vg cho 400V co day 0,35mm. Cuon dot tim den van 5V 11vg co day 1,2mm. 2 cuon dot tim 300B:5v 11 vg day 0,8mm. mot cuon dot tim den 6SN7 6,3v 13 vg day 0,8mm.Tat ca co cong them sut ap 10%. cam dien do kiem tra ap xoay chieu : cao ap 448v,3cuon 5V dat 5,8V. cuon 6,3 dat 6,7V.Cam dien de khong tai thu 3gio khong nong, chi am. Khi cam den 5U4G cao ap len 512V, B+ 480V. Khi co tai sut kinh khung con 178V. Lam theo bac Phuc len duoc 210V- 217V ( co anh minh chup ) am thanh nho dem moi nghe thay. Khong hieu the nao nho cac ban giup do xu li.


The administrator has disabled public write access.

Re: xin tu van ve B+ sut giam toi 50% 15 Mar 2013 03:31 #1256

  • thanghd
  • thanghd's Avatar
  • Offline
  • Senior Boarder
  • Posts: 55
  • Thank you received: 3
  • Karma: 0
thanghd wrote:
Cam on ban 10. Bien ap loi E mua cua Trung Quoc co S= 4x6cm= 24 cm2.Tinh toan voi den 5u4g va 300B , 6SN7 GTB co so sau:P= 170 VA. Tiet dien hieu dung : 17 cm2 de de quan toi dung loi 24 cm2. cuon so cap 220v: 423 vong day co 0,6 mm. Thu cap cao ap 2cuon can bang 845 vg cho 400V co day 0,35mm. Cuon dot tim den van 5V 11vg co day 1,2mm. 2 cuon dot tim 300B:5v 11 vg day 0,8mm. mot cuon dot tim den 6SN7 6,3v 13 vg day 0,8mm.Tat ca co cong them sut ap 10%. cam dien do kiem tra ap xoay chieu : cao ap 448v,3cuon 5V dat 5,8V. cuon 6,3 dat 6,7V.Cam dien de khong tai thu 3gio khong nong, chi am. Khi cam den 5U4G cao ap len 512V, B+ 480V. Khi co tai sut kinh khung con 178V. Lam theo bac Phuc len duoc 210V- 217V ( co anh minh chup ) am thanh nho dem moi nghe thay. Khong hieu the nao nho cac ban giup do xu li.


Xin ke them :OPT 6123HS cua JAMES mua tan TaiWan co cac nac 2,5K;3,5K; 5K.Choke cung tu quan 2000 vong day 0,3mm loi Tau tiet dien 4,9x2,8=13,72 cm2 sau khi quan tinh do tu cam dat 5,25 H.
The administrator has disabled public write access.

Re: xin tu van ve B+ sut giam toi 50% 15 Mar 2013 12:52 #1257

  • 10
  • 10's Avatar
  • Offline
  • Moderator
  • Posts: 233
  • Thank you received: 46
  • Karma: 2
chào bạn. mình xem thông số nguồn bạn kể trên có một số chổ xin dược góp ý thêm cùng bạn.
-tiết diện lõi 40x60 ok.(nếu muốn chạy cả ngày mà k nóng dùng 40x70)
-sơ cấp dùng dây 0,7mm và quấn cho 230v đừng quấn 220v.
-thứ cấp 0,35mm ok hơi yếu nếu tải 2 kênh.
-đốt tim 5u4g dùng dây 1,4li hay 3 sợi 0,8mm chập lại mới đủ dòng.
-đốt tim 300B tối thiểu dùng dây 0,85mm .dùng 0,9mm mới đạt.
phần choke. bạn nên dùng dây 0,4mm mới đủ cho 2 kênh. cái này phải thừa dòng thì bass ra mới khỏe được.

giữa lớp sơ và thứ bạn dùng dây 0,20 quấn một lớp mỏng cách điện thật tốt làm màn chắn tĩnh điện.một đầu bỏ trống ,một đầu sau này nối mass.
trước khi bạn quấn cao áp nên đo trở thuần choke + trở thuần sơ cấp opt sau đó tính sụt áp rồi quấn.
mình chỉ tư vấn được tới đây.
The administrator has disabled public write access.

Re: xin tu van ve B+ sut giam toi 50% 15 Mar 2013 13:17 #1258

  • thanghd
  • thanghd's Avatar
  • Offline
  • Senior Boarder
  • Posts: 55
  • Thank you received: 3
  • Karma: 0
Cam on ban 10,Kieu nay phai quan lai bien ap nguon,minh lam the ma da chat cua so loi E roi. Xin bao cao bac Phuc va cac ban, minh tang R catot den 300B len 900om va chuyen noi Anot sang coc 5K cua OPT thi do dien ap B+ 222V va Ia = 41,5 ma nhu tren anh. lam the nao nua, doan can chinh nay kho that xin chi giup.
The administrator has disabled public write access.

Re: xin tu van ve B+ sut giam toi 50% 15 Mar 2013 21:48 #1259

  • tuyenphuc
  • tuyenphuc's Avatar
  • Offline
  • Administrator
  • Posts: 536
  • Thank you received: 93
  • Karma: 9
Sao nhiều đồng hồ đo quá, những 3 cái. :cheer: :cheer: Nhưng lại thiếu đồng hồ kim, nó hữu dụng ở nhiều chỗ lắm.

Hình như vấn đề ở biến thế nguồn và đèn 5U4, đổi bóng khác hay GZ84 xem sao.

Bạn khắc phục 2 cái này rồi tôi tư vấn tiếp, đã viết rồi nhưng chưa post.
The administrator has disabled public write access.

Re: xin tu van ve B+ sut giam toi 50% 15 Mar 2013 22:03 #1260

  • 10
  • 10's Avatar
  • Offline
  • Moderator
  • Posts: 233
  • Thank you received: 46
  • Karma: 2
chắc nhà bác này bán đồng hồ :laugh: .

xin hỏi bác mod sao đồng hồ kim lại hữu dụng hơn đồng hồ số. cháu cũng có nghe một số đàn anh nói như chú. nhưng khi hỏi tại sao thì câu trả lời của họ cháu thấy chưa được thuyết phục lắm.mong chú giải thích. cảm ơn chú nhiều.
The administrator has disabled public write access.
Moderators: 10
Time to create page: 0.078 seconds