foto1
Stage Pro-sound
foto1
Stage Pro-lighting
foto1
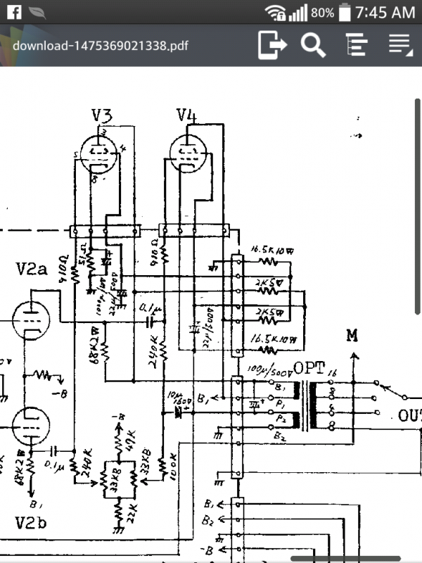
Tube Amplifier
foto1
Disco Bar
foto1
Karaoke & Bistro Systems
e-mail: soundlightingvn@gmail.com
Phone: +84 903 923 527

MISCELLANEOUS ITEMS

Ai đang truy cập

We have 8 guests and no members online

03039198
Hôm nay
Hôm qua
Tất cả
230
530
3039198

06-10-2025 10:37

Đăng ký/đăng nhập

Welcome, Guest
Username: Password: Remember me

TOPIC: Quấn Biến Thế Xuất Âm cho Ampli Đèn

Re: Quấn Biến Thế Xuất Âm cho Ampli Đèn 30 Sep 2016 02:17 #2438

  • tuyenphuc
  • tuyenphuc's Avatar
  • Offline
  • Administrator
  • Posts: 536
  • Thank you received: 93
  • Karma: 9
Máy quấn của tôi còn tệ hơn nữa, bộ đếm vòng bể rồi, phải chế cái counter vào đó.

Vì kỳ này đang thể nghiệm amp kg giống ai nên phải tự quấn thôi. Data khác xa, làm gì có đồ quấn sẵn.

Đã làm xong ve thứ 5, chuẩn bị ngủ, sáng 4 giờ là tôi thức dậy rồi, Ngủ sớm, dậy sớm. mai làm tiếp, đang có hứng.
Attachments:
Last Edit: 30 Sep 2016 02:18 by tuyenphuc.
The administrator has disabled public write access.

Re: Quấn Biến Thế Xuất Âm cho Ampli Đèn 30 Sep 2016 02:18 #2439

  • nganhtuan_sg
  • nganhtuan_sg's Avatar
  • Offline
  • Expert Boarder
  • Posts: 88
  • Thank you received: 8
  • Karma: 0
TDHien59 wrote:
Vâng, cảm ơn bác phúc và mọi người đã khích lệ. Đúng là tự quấn thì vẫn thấy vui mặc dù có thể không bằng hãng. Cái cảm giác này dành riêng cho những ai đã làm và trải nghiệm. Trước kia thấy bác Phúc có bao giờ tự quấn lấy OPT đâu, toàn chơi đồ hãng mà giờ này cũng cặm cụi ngồi quấn. Em e rằng bác mà ngồi quấn thì tiền bia còn đắt hơn cả tiền OPT.
Em quấn thì không có máy, toàn thủ công nên đau lưng lắm. Mất hơn tháng giời mới xong.

Untitlêd_2016-09-29.png[/attachmênt][/quote] Fe thì lấy c-core quấn cho pp thì khỏi lăng tăng lệch rdc. El34 bác lựa cục 1,5kg quấn là dư giả. Ngồi làm lõi cho nó có không khí diy. Em bữa có đi thẩm quýên sẵn rinh một mớ amorphous c-core về. Mà bạn bè nguời rinh 1 bộ. Coi lại chẳng còn. Fe này băng thông rộng lắm. Nếu chọn +-2db thì băng thông mút chỉ. Ei quấn pp cục opt tròn do, nhìn kỳ ky. C-core bác đi mua. Bảo mua fe chữ u. Đừng nói c-core nha, và ít nguời sài đuợc, thì càng rẻg[attachment=560]Untitlêd_2016-09-29.png[/attachmênt]
Fe thì lấy c-core quấn cho pp thì khỏi lăng tăng lệch rdc. El34 bác lựa cục 1,5kg quấn là dư giả. Ngồi làm lõi cho nó có không khí diy.
Em bữa có đi thẩm quýên sẵn rinh một mớ amorphous c-core về. Mà bạn bè nguời rinh 1 bộ. Coi lại chẳng còn. Fe này băng thông rộng lắm. Nếu chọn +-2db thì băng thông mút chỉ.
Ei quấn pp cục opt tròn do, nhìn kỳ ky.
C-core bác đi mua. Bảo mua fe chữ u. Đừng nói c-core nha, và ít nguời sài đuợc, thì càng rẻg
The administrator has disabled public write access.

Re: Quấn Biến Thế Xuất Âm cho Ampli Đèn 30 Sep 2016 02:37 #2440

  • nganhtuan_sg
  • nganhtuan_sg's Avatar
  • Offline
  • Expert Boarder
  • Posts: 88
  • Thank you received: 8
  • Karma: 0
Khoe nốt với bác. Em vừa làm xong cặp ộpt. Cặp này dùng cho amli ra 120oách phút phun
Mọi thứ tự làm lấy, kể cả lon tự chấn, sơn thì đưa cho bọn sơn xe hon đa nó làm nền và sơn mờ nano. Em sơn tĩnh điện vài lần nhìn nó công nghiệp quá. Chán.



The administrator has disabled public write access.

Re: Quấn Biến Thế Xuất Âm cho Ampli Đèn 30 Sep 2016 21:19 #2441

  • 10
  • 10's Avatar
  • Offline
  • Moderator
  • Posts: 233
  • Thank you received: 46
  • Karma: 2
Cả nhà tám chuyện lũ lụt vui quá.
Hôm bữa lụt ngập khắp nơi.nhà mình phía dưới ngập tới đầu gối.buổi chiều về phải đi bộ cõng đứa nhỏ đi học về,bước thấp bước cao 2 ba con ngã ào xuống nước.cái điện thoại G5 mới mưa ướt sũng.phải mang đi sữa.mấy hôm kg online tám chuyện được.
Không ngờ bên chú cũng bị ngập nặng vậy.khổ thân ông già bê đống loa JBL. :laugh:
The administrator has disabled public write access.

Re: Quấn Biến Thế Xuất Âm cho Ampli Đèn 01 Oct 2016 02:03 #2442

  • TDHien59
  • TDHien59's Avatar
  • Offline
  • Gold Boarder
  • Posts: 197
  • Thank you received: 28
  • Karma: 0
Anh ngangtuan_sg cho bí quyết làm cái nắp chụp ra sao mà đẹp vậy? Còn đo băng thông thì ở mức +-1dB thôi.

Bác Phúc.
Không ngờ máy quấn của bác còn cổ hơn nhưng lại hiện đại vì có bộ đếm điện tử rất hoành tráng. Cái này mà chế thêm bộ moto điện có hộp điều tốc đạp chân thì hết sảy luôn đó bác.
Last Edit: 01 Oct 2016 02:12 by TDHien59.
The administrator has disabled public write access.

Re: Quấn Biến Thế Xuất Âm cho Ampli Đèn 01 Oct 2016 03:56 #2443

  • nganhtuan_sg
  • nganhtuan_sg's Avatar
  • Offline
  • Expert Boarder
  • Posts: 88
  • Thank you received: 8
  • Karma: 0
Máy quấn mà chế. Thì chế điếm vòng bằng encoder, rải dây bằng xung, màn hình hiển thị lcd màu, nhập số liệu như vi tính cho nó oach.
Mỗi ngày sáng đi làm, chiều về có cục opt cho nhanh. Chứ cút kít thế kia mà gọi là thú vui diy em cũng chạy mặt. Ngày truớc ngồi quấn thử cục nguồn. Chời ơi cực quá, thế là xoắn tay lên. Mần liền. Từ cơ khí, điện cho tới điều khiển, viết phần mềm nạp chip... 1 tháng xong chứ dề. Chủ yếu là có đủ bản lĩnh để làm hay kg thôi. Chứ nói ngồi quấn tay mới giá trị em chịu. Xin lẫu máy em làm ra, máy quấn Thiết Bảo phải gọi là sư cụ. Còn nói quấn tay mới đẹp, chắc họ chỉ biết đời chỉ cần có đôi bàn tay là đủ chắc.
Lon thì cắt bằng cnc laser, và bẻ bằng máy chấn chứ gì đâu cà. Vừa thổi laser xong, chấn, 10.phút đuợc một cái. Mang cho thợ sơn hon đa sơn nano giá 50k/lon. Chi phí tất tầm 100k/lon. Dĩ nhiên tớ kg gia công lon, làm chơi vài cái, hoặc quen biết làm dùm vài bộ thôi
Em thì chơi rất là chí công vô tư, mỗi nguời mỗi việc cho cuộc sống. Âm ly đèn này thì với em mới biết, nên muốn học hỏi, họ giúp mình thì mình luôn sẵn lòng giúp họ cái khác. Nhưng ngày truớc cũng la cà chích chịt, ngồi nốc bia. Mà nguời ta cứ nghĩ mình ngốc, ngu lắm và họ đang bàn kỹ thuật siêu phàm gì đó, khi đi đái vô họ im như rằng sợ mình nghe thấy thứ cao siêu. Từ dạo ấy em tự ái và nghĩ. Đèn kg khó chắc chắn là vậy. Vì nhìn nhiều nguời cũng kg hiểu cái chó gì về điện cũng làm đuợc mà. Nên tại sao phải cầu lỵ. Ba cái chuyện đèn này còn dấu thì trình họ chỉ có vậy. Đáng lẽ san sẻ ra cho nguời khác để mình tự nâng cao một tầm cao khác. Nhưng họ giấu chứng tỏ họ kém và sự ích kỷ xuất phát sự hạn chế về khả năng phát triển.
Nói thật. Đèn cứ nhiêu đó làm hoài (chẳng gì mới) năm này qua năm khác, kg chán em thấy các cụ đó giỏi thật.
Hơi xĩn, có chút trải lòng.
Last Edit: 01 Oct 2016 04:20 by nganhtuan_sg.
The administrator has disabled public write access.

Re: Quấn Biến Thế Xuất Âm cho Ampli Đèn 02 Oct 2016 00:49 #2445

  • tuyenphuc
  • tuyenphuc's Avatar
  • Offline
  • Administrator
  • Posts: 536
  • Thank you received: 93
  • Karma: 9
Tôi chưa hề quấn bao giờ. Bây giờ đụng chuyện, hỏi bạn 10 1 tí bí quyết là làm thôi, phải chính tay mình quấn mới có kinh nghiệm. Từ từ đã, nếu vụ quấn này ngon ăn, tôi sẽ đến gặp thằng Cường tồ Thuỷ Hoàng, bạn làm ăn từ năm 1 nghìn chín trăm hồi đó, bây giờ là trùm quấn BT cho cả nước, nói nó share cho cái máy quấn xịn, cỡ nào cũng có. Chuyện đời biết đâu đó…

Vụ tube amp này, tôi chỉ làm chơi cho vui, chẳng bao giờ giấu nghề. AE hỏi gì tôi trả lời đó, có điều hỏi lý thuyết, số má thì thua, làm sao nhớ nổi. Có điều tôi là kg khoái nghe nhạc liu riu thôi (biệt danh Phúc điếc mà), làm dưới 60w là thất bại. Dân ĐT ứng dụng làm gì mà chả được. Giờ tôi đang ứng dụng tube-amp làm chuyện khác, kg phải nghe nhạc, mai mốt sẽ trình làng.

Mình cứ copy của thiên hạ về là của mình, kg bao giờ tiến xa dc (như TQ). Tôi cũng học của thiên hạ thôi, nhưng khi làm phải có dấu ấn sáng tạo của mình. Thí dụ: Tôi nói làm amp hybrid, có bạn cứ tưởng là phải thêm silicon vào, kg phải đâu là kg phải đâu. Ý tôi là khác, kg theo 1 schematic nào hết, chẳng hạn như amp SE lai PP của tôi đã trình làng hơn 8 năm trước, có bạn nào theo chưa? AT của nó đặc biệt: lấy tiếng đặc thù của 300BSE + 845PP sẽ cho ra 1 AT đặc biệt (tiếc là lúc đó tôi chưa có kinh nghiệm về BT, toàn nhờ ng ta quấn nên chưa hiệu quả 100% đó thôi).

Trong 1 comment, kg nói nhiều, chỉ có gom 1 điều là: Sáng tạo, Sáng tạo, Sáng tạo……
The administrator has disabled public write access.

Re: Quấn Biến Thế Xuất Âm cho Ampli Đèn 02 Oct 2016 02:35 #2447

  • nganhtuan_sg
  • nganhtuan_sg's Avatar
  • Offline
  • Expert Boarder
  • Posts: 88
  • Thank you received: 8
  • Karma: 0
tuyenphuc wrote:
Tôi chưa hề quấn bao giờ. Bây giờ đụng chuyện, hỏi bạn 10 1 tí bí quyết là làm thôi, phải chính tay mình quấn mới có kinh nghiệm. Từ từ đã, nếu vụ quấn này ngon ăn, tôi sẽ đến gặp thằng Cường tồ Thuỷ Hoàng, bạn làm ăn từ năm 1 nghìn chín trăm hồi đó, bây giờ là trùm quấn BT cho cả nước, nói nó share cho cái máy quấn xịn, cỡ nào cũng có. Chuyện đời biết đâu đó…

Vụ tube amp này, tôi chỉ làm chơi cho vui, chẳng bao giờ giấu nghề. AE hỏi gì tôi trả lời đó, có điều hỏi lý thuyết, số má thì thua, làm sao nhớ nổi. Có điều tôi là kg khoái nghe nhạc liu riu thôi (biệt danh Phúc điếc mà), làm dưới 60w là thất bại. Dân ĐT ứng dụng làm gì mà chả được. Giờ tôi đang ứng dụng tube-amp làm chuyện khác, kg phải nghe nhạc, mai mốt sẽ trình làng.

Mình cứ copy của thiên hạ về là của mình, kg bao giờ tiến xa dc (như TQ). Tôi cũng học của thiên hạ thôi, nhưng khi làm phải có dấu ấn sáng tạo của mình. Thí dụ: Tôi nói làm amp hybrid, có bạn cứ tưởng là phải thêm silicon vào, kg phải đâu là kg phải đâu. Ý tôi là khác, kg theo 1 schematic nào hết, chẳng hạn như amp SE lai PP của tôi đã trình làng hơn 8 năm trước, có bạn nào theo chưa? AT của nó đặc biệt: lấy tiếng đặc thù của 300BSE + 845PP sẽ cho ra 1 AT đặc biệt (tiếc là lúc đó tôi chưa có kinh nghiệm về BT, toàn nhờ ng ta quấn nên chưa hiệu quả 100% đó thôi).

Trong 1 comment, kg nói nhiều, chỉ có gom 1 điều là: Sáng tạo, Sáng tạo, Sáng tạo……
Cháu rất nể và mến chú Phúc.
Bữa cháu gọi cho Chú lấy bộ bóng el34 là vì cháu hứa cho đứa em, mà bảo chờ vì bóng kg có ở nhà, nhưng hắn qua nhà để lấy mà cháu chưa gặp chú, sốt ruột gọi 2,3 cuộc điện thoại vì chú kg nghe máy, sau chú nói ở trên mái nhà sửa dột gì đó, chứ cháu kg hề nghĩ gì.
Chơi là cái cớ để gặp bạn bè, giao lưu có bạn mới.
Chứ ampli đèn này mà làm nghề kiếm cơm có mà cháo cũng kg có mà húp,
Nên hy vọng hiểu nhau tý, chứ so hơn thấp là gì, thiên hạ lên tới sao hoả rồi, ngồi đây ôm mấy cây đèn làm gì nữa hè
Cuối tuần lại xĩn, thấy hai cái meo, hồi đáp tú
Last Edit: 02 Oct 2016 02:39 by nganhtuan_sg.
The administrator has disabled public write access.

Re: Quấn Biến Thế Xuất Âm cho Ampli Đèn 02 Oct 2016 02:52 #2448

  • TDHien59
  • TDHien59's Avatar
  • Offline
  • Gold Boarder
  • Posts: 197
  • Thank you received: 28
  • Karma: 0
Có thời gian và điều kiện làm OPT như anh nganhtuan_sg thì khỏi bàn, ráp amp chắc trong 1 tuần là xong. Đúng là giữa bãi tha ma gặp gia đình có 'điều kiện'.
Còn tôi thì tranh thủ lúc rảnh rỗi mỗi lúc làm một ít, tự tay mình làm thường vào ngày nghỉ. Lúc quấn 1-2 lớp, lúc khoan cái chân đèn... Tất cả đều dùng những đồ sẵn có trong nhà chứ không đi nhờ ai được. Không hoành tráng như thể muốn quấn một cặp OPT mà đi sắm cả máy quấn dây hoặc là muốn đo thông số của amp phải sắm cả dàn máy o sì lô như của bác Phúc được. Tôi làm cái amp SE mà mất khoảng 6 tháng, vậy đó!

Bác Phúc có vấn đề gì hỏi thì xin mời bác, anh em ở đây ai biết sẽ có ý kiến đóng góp.
The administrator has disabled public write access.

Re: Quấn Biến Thế Xuất Âm cho Ampli Đèn 02 Oct 2016 12:36 #2450

  • 10
  • 10's Avatar
  • Offline
  • Moderator
  • Posts: 233
  • Thank you received: 46
  • Karma: 2
tuyenphuc wrote:
Tôi chưa hề quấn bao giờ. Bây giờ đụng chuyện, hỏi bạn 10 1 tí bí quyết là làm thôi, phải chính tay mình quấn mới có kinh nghiệm. Từ từ đã, nếu vụ quấn này ngon ăn, tôi sẽ đến gặp thằng Cường tồ Thuỷ Hoàng, bạn làm ăn từ năm 1 nghìn chín trăm hồi đó, bây giờ là trùm quấn BT cho cả nước, nói nó share cho cái máy quấn xịn, cỡ nào cũng có. Chuyện đời biết đâu đó…

Vụ tube amp này, tôi chỉ làm chơi cho vui, chẳng bao giờ giấu nghề. AE hỏi gì tôi trả lời đó, có điều hỏi lý thuyết, số má thì thua, làm sao nhớ nổi. Có điều tôi là kg khoái nghe nhạc liu riu thôi (biệt danh Phúc điếc mà), làm dưới 60w là thất bại. Dân ĐT ứng dụng làm gì mà chả được. Giờ tôi đang ứng dụng tube-amp làm chuyện khác, kg phải nghe nhạc, mai mốt sẽ trình làng.

Mình cứ copy của thiên hạ về là của mình, kg bao giờ tiến xa dc (như TQ). Tôi cũng học của thiên hạ thôi, nhưng khi làm phải có dấu ấn sáng tạo của mình. Thí dụ: Tôi nói làm amp hybrid, có bạn cứ tưởng là phải thêm silicon vào, kg phải đâu là kg phải đâu. Ý tôi là khác, kg theo 1 schematic nào hết, chẳng hạn như amp SE lai PP của tôi đã trình làng hơn 8 năm trước, có bạn nào theo chưa? AT của nó đặc biệt: lấy tiếng đặc thù của 300BSE + 845PP sẽ cho ra 1 AT đặc biệt (tiếc là lúc đó tôi chưa có kinh nghiệm về BT, toàn nhờ ng ta quấn nên chưa hiệu quả 100% đó thôi).

Trong 1 comment, kg nói nhiều, chỉ có gom 1 điều là: Sáng tạo, Sáng tạo, Sáng tạo……

Chú nói cháu cũng khoe luôn.vừa rồi có nâng cấp 1 con ampli của hãng danh tiếng nhưng ở ẩn.dynavector.
Họ thiết kế mạch đơn giản nhưng cực kỳ hấp dẵn sự tò mò của người chơi đèn.single end pushpull,là dạng đẩy kéo của SE.tức là SEPP,không giống như amp chú đã từng làm dùng driver SE đẩy cho PP.
Ưu điểm mạch này vừa khai thác được công suất kéo đẩy,vừa lấy được chất âm của đặc tuyến SE,lợi cả đôi đường.cháu đang copy lại và thử nghiệm,mai mốt sẽ lập topic mối chia sẽ mọi người làm bộ nghe nhạc chơi.
Attachments:
Last Edit: 02 Oct 2016 12:48 by 10.
The administrator has disabled public write access.
Moderators: 10
Time to create page: 0.086 seconds