levan wrote:
Em không phải nghề này nếu hỏi có gì không đúng bác bác bỏ qua cho em nhé

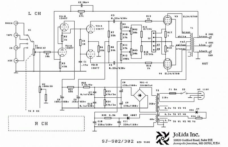
. Bác TDHien59 xem mạch chưa ạ, bác xem xong rùi hướng qẫn cho em lắp thử đông hồ vào cái amply em đang dùng với nhé. Hình như nó khuyến cáo dùng nguồn riêng phải không bác?
Nó có hướng dẫn, bác theo hình mà lắp.
Chú ý:
- Nguồn cấp 12V AC hoặc DC.
- Đầu ra nối với đồng hồ chú ý dương/âm +;-
- Đầu vào: Nếu lấy tín hiệu từ ampli thì đấu vào HIGH, nếu lấy tín hiệu từ đĩa hoặc băng... thì đấu vào LOW. GND là 'mát' chung.
Theo cách làm của bác Phúc thì đơn giản hơn mà đỡ tốn kém mua mạch điều khiển, hơn nữa không phải cần nguồn 12V.