Cháu chào bác Phúc, cháu là lính mới

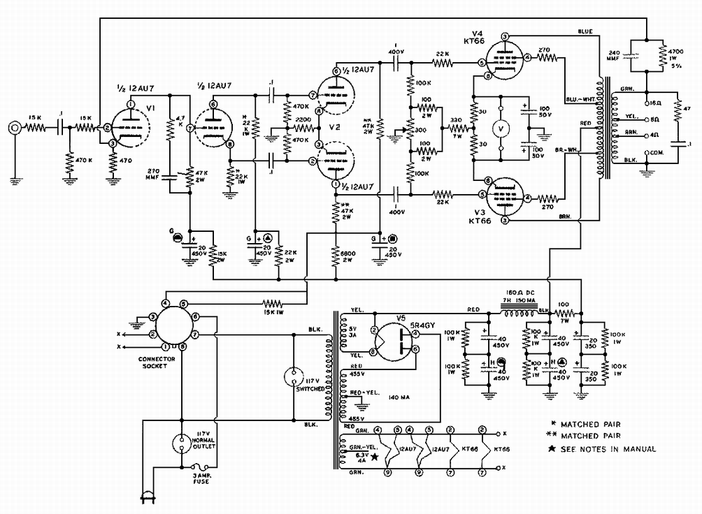
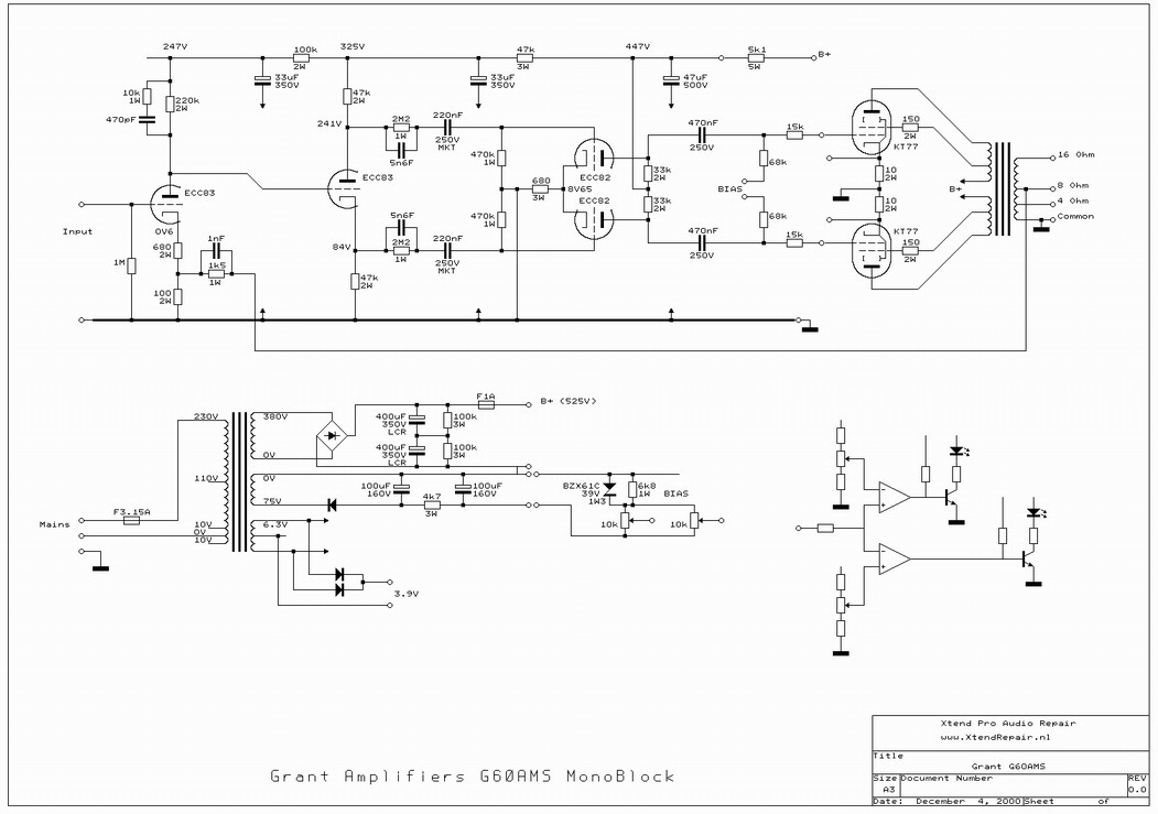
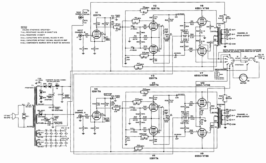
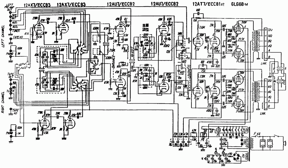
, bác có thể cho cháu xin mạch amply đèn 100w (power amp + pre amp). sơ đồ phức tạp tý cũng không sao, miễn là chất lượng âm thanh tốt, sử dụng loại đèn nào dễ tìm trên thị trường là được, cháu có thể từ từ nghiên cứu và tự ráp cho mình một chiếc amply đèn là được. Cháu cảm ơn bác!