foto1
Stage Pro-sound
foto1
Stage Pro-lighting
foto1
Tube Amplifier
foto1
Disco Bar
foto1
Karaoke & Bistro Systems
e-mail: soundlightingvn@gmail.com
Phone: +84 903 923 527

MISCELLANEOUS ITEMS

Ai đang truy cập

We have 15 guests and no members online

03039275
Hôm nay
Hôm qua
Tất cả
307
530
3039275

06-10-2025 14:18

Đăng ký/đăng nhập

Welcome, Guest
Username: Password: Remember me

TOPIC: Quấn Biến Thế Xuất Âm cho Ampli Đèn

Re: Quấn Biến Thế Xuất Âm cho Ampli Đèn 12 Sep 2016 14:02 #2406

  • nganhtuan_sg
  • nganhtuan_sg's Avatar
  • Offline
  • Expert Boarder
  • Posts: 88
  • Thank you received: 8
  • Karma: 0
TDHien59 wrote:
Tôi đang định lắp theo mạch này, anh có linh kiện phù hợp không dùng thì để lại cho tôi. Không dám lấy những loại mắc làm chi chỉ cần đến tụ dầu của Nga là tốt rồi.


Ok Anh @DTHien.
Em tài trợ cho anh bộ tụ. góp vui cho anh em có đồ chơi. dịp nào ghé HCM tin cho em biết
2 cái : Nippon Chemicon 560uf/450v, kích thước : phi 35mm, cao 50mm, màu sắc da nâu, chữ trắng.
4 cái : Rybicon (kg có chữ blackgate) 330uf/400v , phi 30mm, cao 40,, màu sắc da đen chữ trắng.
4 cái tụ dầu Nga 0.15uf/400v :)
The administrator has disabled public write access.

Re: Quấn Biến Thế Xuất Âm cho Ampli Đèn 12 Sep 2016 14:17 #2407

  • tuyenphuc
  • tuyenphuc's Avatar
  • Offline
  • Administrator
  • Posts: 536
  • Thank you received: 93
  • Karma: 9
@TDHien59:

Bạn không cần phải theo tuyệt đối 1 sơ đồ nào cả. Quan trọng là cái tai và ý thích của mình. Bạn có thể lấy 1 biến trở vài chục K, vặn tới lui và sẽ tìm ra lượng hồi tiếp đúng nhất. Sau đó bạn đo trị số biến trở và thay bằng điện trở là xong.

Về việc forum vắng bóng thành viên online, hình như là do dạo này việc đăng ký thành viên mới kg được, rất khó. Tôi cũng chưa biết tại sao, có thể do đặt tường lửa quá nhiều. Nếu có thì giờ, các bạn hãy đăng ký thêm 1 account nữa coi được kg. Nếu có trục trặc gì, xin email cho tôi để tìm cách giải quyết. Dạo này bận nhiều chuyện, bỏ bê web này nhiều, sắp tới sẽ ráng khắc phục.

Trời!!!, giờ này mà còn đi xe 67. Già như tôi mà cách đây mấy năm còn đi cái Magna 750cc, 4 máy, mới bán năm ngoái chỉ vì nặng quá, dắt xe ra vào nhà kg nổi thôi. Năm nay mới tậu con Yamaha Virago 535cc, hì hục o bế cả 2 tuần mới xong. Xe này nhẹ hơn, chạy vừa tay. Chỉ có điều kg dám vác xe đi nhậu đêm nữa, sợ CA thổi là mất xe, đi bộ về, ha ha.

Hình vừa sửa xong tháng trước, dựng trước nhà.


The administrator has disabled public write access.

Re: Quấn Biến Thế Xuất Âm cho Ampli Đèn 12 Sep 2016 14:45 #2408

  • Phan Lê Đệ
  • Phan Lê Đệ's Avatar
  • Offline
  • Senior Boarder
  • Posts: 43
  • Karma: 0
Chào Bác 10:

Hi a.
Hình như câu hỏi của a không giống như trên schermatic em úp lên,thứ cấp e chia 4 cuộn vừa nối tiếp rồi song song,tính cho load 8ohm.ở mạch trên kg có 4ohm.

Lưỡi fe 38 nếu quấn phải được ><155 vòng /lớp sao lại chỉ có 132??
Trở kháng thường hay chia tải 4-8-16ohm load.một trong 3 khi load thì phần còn lại để trống kg vấn đề gì ,nhưng nếu câu thêm tải vào là kg được.


Em tính 132 vòng/1 lớp là cho tròn 5 lớp; nếu không sẽ quấn thành 4 lớp rưỡi sao ;)

Không phải, em hỏi sơ đồ này mà:




Báo cáo Bác Phúc và các Bác, em đã tập hợp đủ linh kiện, cả ngày thứ 7, cn ngồi khoan vỏ đau lưng mà chưa xong. Giá có cái máy ảnh chụp hình lấy tinh thần DIY, không các bác bảo em hỏi nhiều mà chẳng thấy làm gì cả. :laugh:
Last Edit: 12 Sep 2016 14:51 by Phan Lê Đệ.
The administrator has disabled public write access.

Re: Quấn Biến Thế Xuất Âm cho Ampli Đèn 12 Sep 2016 16:44 #2409

  • TDHien59
  • TDHien59's Avatar
  • Offline
  • Gold Boarder
  • Posts: 197
  • Thank you received: 28
  • Karma: 0
Anh nganhtuan_sg: cảm ơn nhưng anh cho hỏi là bộ tụ đó thì lắp vào đâu trong sơ đồ trên vậy?

Bác Phúc:
Em khâm phục vì cái tuổi của bác mà vẫn dìu được con xe này thì quả là đáng nể, nhưng em nghĩ nó để cho bọn em dùng thì hay hơn!
Về vấn đề đăng ký nick thì quả thật là không được, em đã thử. Bác nên kiểm tra lại module này.
Last Edit: 12 Sep 2016 16:46 by TDHien59.
The administrator has disabled public write access.

Re: Quấn Biến Thế Xuất Âm cho Ampli Đèn 12 Sep 2016 17:39 #2410

  • nganhtuan_sg
  • nganhtuan_sg's Avatar
  • Offline
  • Expert Boarder
  • Posts: 88
  • Thank you received: 8
  • Karma: 0
TDHien59 wrote:
Anh nganhtuan_sg: cảm ơn nhưng anh cho hỏi là bộ tụ đó thì lắp vào đâu trong sơ đồ trên vậy?

Bác Phúc:
Em khâm phục vì cái tuổi của bác mà vẫn dìu được con xe này thì quả là đáng nể, nhưng em nghĩ nó để cho bọn em dùng thì hay hơn!
Về vấn đề đăng ký nick thì quả thật là không được, em đã thử. Bác nên kiểm tra lại module này.

Anh sợ nổ à.
Em có nhìn lại mạch nguồn của anh, thấy anh kéo kiểu mô nô. thì lấy thêm tụ.
Em có thắc mắt, cũng có lẽ anh thấy chưa ưng ý lắm với mấy con tụ cùi em có để gắn vào ampli mà anh muốn o bế từng chút. (chưa tưng xứng)
Em nói ra cái này. có lẽ sẽ va vấp vài ý kiến cầu toàn.
Thông thường gắng linh kiện, đừng nên gắn quá cầu toàn. ý em muốn nói. nếu áp 400v, kg vượt nữa được. nêú gan to thì gắn tụ 420v thôi. nhưng có là 450v thì gắn, được mà, cảm giác an tâm, rung đùi hơn. Nhưng nếu là tụ 420v, có nghĩa nó nạp đầy hơn. nên khả năng phóng của nó mạnh hơn.
Nếu mắt nối tiếp 2 con. để lấy 840v chịu. ok thôi, nhưng mỗi con tụ nạp quá ít << ngon không ?
Có nhiều thứ nói ra, va vấp nhiều ý kiến bảo thủ rất khó trò chuyện.

tụ 450v này nếu gắng, chắc chắn anh bật cao áp phải có bóng công suất.còn kg chass kg dủ nặng có thể bay B)

mạch của anh thích. em thấy có 2 vị trí lắp thêm bán dẫn sẽ tốt khi đo << hybrid. Vì mạch lái kiểu long tai này nó kg cân biên độ chút. nếu giữ cặp điện trở anod không đổi. tạo nguồn dòng kéo ở dưới catot sẽ cân, rẽ hơn thay cặp điện trở
Last Edit: 12 Sep 2016 17:44 by nganhtuan_sg.
The administrator has disabled public write access.

Re: Quấn Biến Thế Xuất Âm cho Ampli Đèn 12 Sep 2016 17:59 #2411

  • 10
  • 10's Avatar
  • Offline
  • Moderator
  • Posts: 233
  • Thank you received: 46
  • Karma: 2
Phan Lê Đệ wrote:
Chào Bác 10:

Hi a.
Hình như câu hỏi của a không giống như trên schermatic em úp lên,thứ cấp e chia 4 cuộn vừa nối tiếp rồi song song,tính cho load 8ohm.ở mạch trên kg có 4ohm.

Lưỡi fe 38 nếu quấn phải được ><155 vòng /lớp sao lại chỉ có 132??
Trở kháng thường hay chia tải 4-8-16ohm load.một trong 3 khi load thì phần còn lại để trống kg vấn đề gì ,nhưng nếu câu thêm tải vào là kg được.


Em tính 132 vòng/1 lớp là cho tròn 5 lớp; nếu không sẽ quấn thành 4 lớp rưỡi sao ;)

Không phải, em hỏi sơ đồ này mà:




Báo cáo Bác Phúc và các Bác, em đã tập hợp đủ linh kiện, cả ngày thứ 7, cn ngồi khoan vỏ đau lưng mà chưa xong. Giá có cái máy ảnh chụp hình lấy tinh thần DIY, không các bác bảo em hỏi nhiều mà chẳng thấy làm gì cả. :laugh:

Nếu a kg dùng ngõ UL thì đơn giản hơn trong việc đuổi lớp.
L1 a quấn 4 lớp,số còn lại sẽ chuyển qua cho L3 thành 6 lớp.miễn sao khi nối L1+l3 = l2+ l4 là ok.còn phân bổ số lớp sao cho rdc lệch nhau nhỏ nhất là nghệ thuật .nếu a dùng 4ohm thì nối song song cuộn L5 với L7.hoặc vẫn giữ nối tiếp 3 cuộn,trích điếm nối l5 vs l6 thành 4ohm.
The administrator has disabled public write access.

Re: Quấn Biến Thế Xuất Âm cho Ampli Đèn 12 Sep 2016 18:50 #2412

  • Phan Lê Đệ
  • Phan Lê Đệ's Avatar
  • Offline
  • Senior Boarder
  • Posts: 43
  • Karma: 0
À, ra thế. Tính em hơi máy móc. Mà cũng tại lần trước quấn lệnh những hơn 10 omh nên hơi run.

Chả dại, em cứ quấn y như bác vẽ. Lỡ nó mà lệnh omh nhiều em còn kiện Bác được chứ :laugh: :laugh: :laugh:

Cho em hỏi thêm chút... chút... nữa:

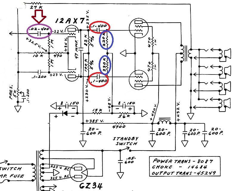
Sơ đồ 1:





Sơ đồ 2:





Sơ đồ 1 (pre) nối với sơ đồ 2 (power) như thế nào ?. Em bỏ tụ 0.01uF ở sơ đồ 1 => nối anot của đèn pre (qua trở 68K) vào tụ 0.02uF ở sơ đồ 2 có đúng không ạ !

Ở Sơ đồ 2: Vì không tìm được tụ 0.1uF loại tốt làm tụ liên lạc giữa tầng Drive với lưới khiển của đèn công suất (em ở Tây Nguyên, vùng sâu vùng xa, ngay cả cọng dây điện cũng gửi Sài thành về, không có điều kiện tốt như các Bác). Em có tụ Nga 0.25uF - 1.500V (tụ dầu, hình vuông, to hơn bao diêm), em gắn tụ 0.25uF vào vị trí liên lạc giữa đèn Drive với lưới khiển của đèn công suất thay cho tụ 0.1uF được không ?.

Hai điện trở em vòng trong sơ đồ 2 (220k) có phải điều chỉnh lại không ? (vì em thấy bài viết thứ 2 ngoài forum của Bác Phúc về amly Dynaco model Dynakit Mark III thì sử dụng tụ 0.25uF và 2 điện trở đó là 100K).






Em cảm ơn !
Last Edit: 12 Sep 2016 19:45 by Phan Lê Đệ.
The administrator has disabled public write access.

Re: Quấn Biến Thế Xuất Âm cho Ampli Đèn 12 Sep 2016 19:43 #2413

  • TDHien59
  • TDHien59's Avatar
  • Offline
  • Gold Boarder
  • Posts: 197
  • Thank you received: 28
  • Karma: 0
nganhtuan_sg wrote:
TDHien59 wrote:
Anh nganhtuan_sg: cảm ơn nhưng anh cho hỏi là bộ tụ đó thì lắp vào đâu trong sơ đồ trên vậy?

Bác Phúc:
Em khâm phục vì cái tuổi của bác mà vẫn dìu được con xe này thì quả là đáng nể, nhưng em nghĩ nó để cho bọn em dùng thì hay hơn!
Về vấn đề đăng ký nick thì quả thật là không được, em đã thử. Bác nên kiểm tra lại module này.

Anh sợ nổ à.
Em có nhìn lại mạch nguồn của anh, thấy anh kéo kiểu mô nô. thì lấy thêm tụ.
Em có thắc mắt, cũng có lẽ anh thấy chưa ưng ý lắm với mấy con tụ cùi em có để gắn vào ampli mà anh muốn o bế từng chút. (chưa tưng xứng)
Em nói ra cái này. có lẽ sẽ va vấp vài ý kiến cầu toàn.
Thông thường gắng linh kiện, đừng nên gắn quá cầu toàn. ý em muốn nói. nếu áp 400v, kg vượt nữa được. nêú gan to thì gắn tụ 420v thôi. nhưng có là 450v thì gắn, được mà, cảm giác an tâm, rung đùi hơn. Nhưng nếu là tụ 420v, có nghĩa nó nạp đầy hơn. nên khả năng phóng của nó mạnh hơn.
Nếu mắt nối tiếp 2 con. để lấy 840v chịu. ok thôi, nhưng mỗi con tụ nạp quá ít << ngon không ?
Có nhiều thứ nói ra, va vấp nhiều ý kiến bảo thủ rất khó trò chuyện.

tụ 450v này nếu gắng, chắc chắn anh bật cao áp phải có bóng công suất.còn kg chass kg dủ nặng có thể bay B)

mạch của anh thích. em thấy có 2 vị trí lắp thêm bán dẫn sẽ tốt khi đo << hybrid. Vì mạch lái kiểu long tai này nó kg cân biên độ chút. nếu giữ cặp điện trở anod không đổi. tạo nguồn dòng kéo ở dưới catot sẽ cân, rẽ hơn thay cặp điện trở

Không phải chê tụ của anh là tốt hay dở mà là trị số của nó không sát với sơ đồ mà thôi. Tụ lọc nguồn lớn quá ngược lại nối tầng thì nhỏ quá.
The administrator has disabled public write access.

Re: Quấn Biến Thế Xuất Âm cho Ampli Đèn 12 Sep 2016 21:18 #2414

  • nganhtuan_sg
  • nganhtuan_sg's Avatar
  • Offline
  • Expert Boarder
  • Posts: 88
  • Thank you received: 8
  • Karma: 0
TDHien59 wrote:
nganhtuan_sg wrote:
TDHien59 wrote:
Anh nganhtuan_sg: cảm ơn nhưng anh cho hỏi là bộ tụ đó thì lắp vào đâu trong sơ đồ trên vậy?

Bác Phúc:
Em khâm phục vì cái tuổi của bác mà vẫn dìu được con xe này thì quả là đáng nể, nhưng em nghĩ nó để cho bọn em dùng thì hay hơn!
Về vấn đề đăng ký nick thì quả thật là không được, em đã thử. Bác nên kiểm tra lại module này.

Anh sợ nổ à.
Em có nhìn lại mạch nguồn của anh, thấy anh kéo kiểu mô nô. thì lấy thêm tụ.
Em có thắc mắt, cũng có lẽ anh thấy chưa ưng ý lắm với mấy con tụ cùi em có để gắn vào ampli mà anh muốn o bế từng chút. (chưa tưng xứng)
Em nói ra cái này. có lẽ sẽ va vấp vài ý kiến cầu toàn.
Thông thường gắng linh kiện, đừng nên gắn quá cầu toàn. ý em muốn nói. nếu áp 400v, kg vượt nữa được. nêú gan to thì gắn tụ 420v thôi. nhưng có là 450v thì gắn, được mà, cảm giác an tâm, rung đùi hơn. Nhưng nếu là tụ 420v, có nghĩa nó nạp đầy hơn. nên khả năng phóng của nó mạnh hơn.
Nếu mắt nối tiếp 2 con. để lấy 840v chịu. ok thôi, nhưng mỗi con tụ nạp quá ít << ngon không ?
Có nhiều thứ nói ra, va vấp nhiều ý kiến bảo thủ rất khó trò chuyện.

tụ 450v này nếu gắng, chắc chắn anh bật cao áp phải có bóng công suất.còn kg chass kg dủ nặng có thể bay B)

mạch của anh thích. em thấy có 2 vị trí lắp thêm bán dẫn sẽ tốt khi đo << hybrid. Vì mạch lái kiểu long tai này nó kg cân biên độ chút. nếu giữ cặp điện trở anod không đổi. tạo nguồn dòng kéo ở dưới catot sẽ cân, rẽ hơn thay cặp điện trở

Không phải chê tụ của anh là tốt hay dở mà là trị số của nó không sát với sơ đồ mà thôi. Tụ lọc nguồn lớn quá ngược lại nối tầng thì nhỏ quá.
Em có dự đón là anh sẽ do dự chuyện này.
Với mạch pp khuyên anh, nên vặt 2 cây đèn nắn ra thay bằng diode cho nó êm chuyện., quấn biến thế bớt dòng dây lại cho khỏe (chassis gọn lại, bố trí đèn công suất đủ xa nhau. giải quyết quấn đề làm mát tự nhiên. còn kg phải mở máy lạnh để làm mát cưỡng bức, nếu chassis nhỏ). còn nắn diode cho pp tiêu chí kg lợi thì ... kg thể tệ hơn đèn.chí ít về mặt thi công, chi phí
Dĩ nhiên chơi tụ cao trị số nên cho đốt tim trước. cần có mạch On delay cho cao áp.
Ngày trước, em còn tệ hơn anh. tụ ngay sau đèn nắn trước choke, em gắn quả 180uf. nó lè lưỡi chết ngắt. làm tái mặt.
The administrator has disabled public write access.

Re: Quấn Biến Thế Xuất Âm cho Ampli Đèn 13 Sep 2016 02:23 #2416

  • TDHien59
  • TDHien59's Avatar
  • Offline
  • Gold Boarder
  • Posts: 197
  • Thank you received: 28
  • Karma: 0
Tôi may hơn anh là ráp amp chưa bị cháy nổ, điện giật bao giờ vì luôn tuân thủ đúng quy trình. Anh dám thay tụ sau đèn nắn 180uF thì đúng là dân điện công nghiệp chính cống rồi. hic
Về cao áp thì chắc chắn là tôi dùng tube chứ không thích Diode mặc dù vẫn biết nắn bán dẫn là sạch và đơn giản hơn đèn.
Thân.
The administrator has disabled public write access.
Moderators: 10
Time to create page: 0.170 seconds